產品中心product
產品中心
您現在所在位置:網站首頁>> 產品中心
AT203光柵尺539系列方波輸出型(標準型)
產品介紹日本mitutoyo三豐AT203光柵尺539系列方波輸出型(標準型)產品特點: 6.可連接KA計數器,KLD計數器或PSU-200脈沖信號裝置。 技術參數: 有效測量范圍: 100 - 6000mm20℃時精度: 100 - 1500mm (3+3L/1000)um 輸出波形: 兩路90°相位差正交信號 響應速度: 11—120m/min. 分辨率: 0.1,0.5,1 um 參考點間距: 50mm 塵/水防護等級: 達到IP53防護標準
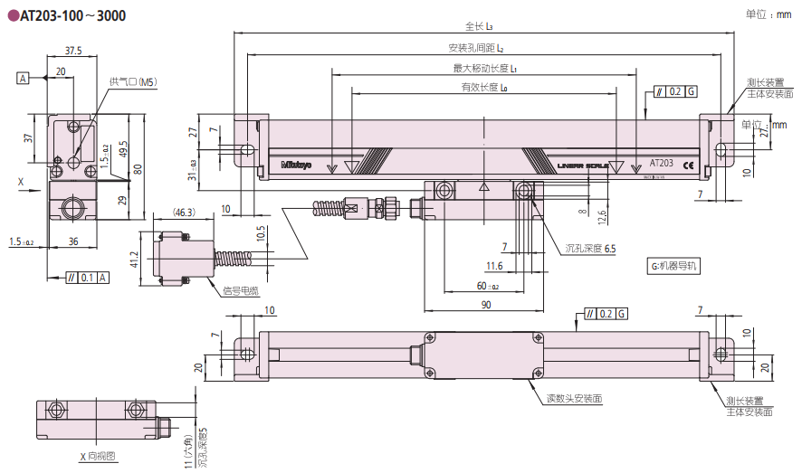
AT203側長裝置安裝參考圖:
上一個:沒有資料
下一個:沒有資料
|




