產品中心product
產品中心
您現在所在位置:網站首頁>> 產品中心
高精度測量探規DK812系列DK812SAFLR5/DK812SBFLR5/DK812SBVR5
產品介紹簡單介紹: 日本索尼Magnescale 高精度測量探規DK812系列: 3000萬次使用壽命的高性能測量探規DK812系列:精度0.001mm;分辨率0.1微米,0.5微米;測量長度12mm;線纜最長可達22m;安裝容易,設計堅固,適用于各種工廠作業環境,耐油水灰塵,抗震動沖擊能力強;配用產品:MG10/MG20/MG30/MG40/LY71/LY72/LT30. 產品特點: 日本索尼Magnescale 高精度測量探規DK812系列特點 結構緊湊,并具有高分辨率0.1微米,響應速度也有了更進一步的提高:
技術參數:
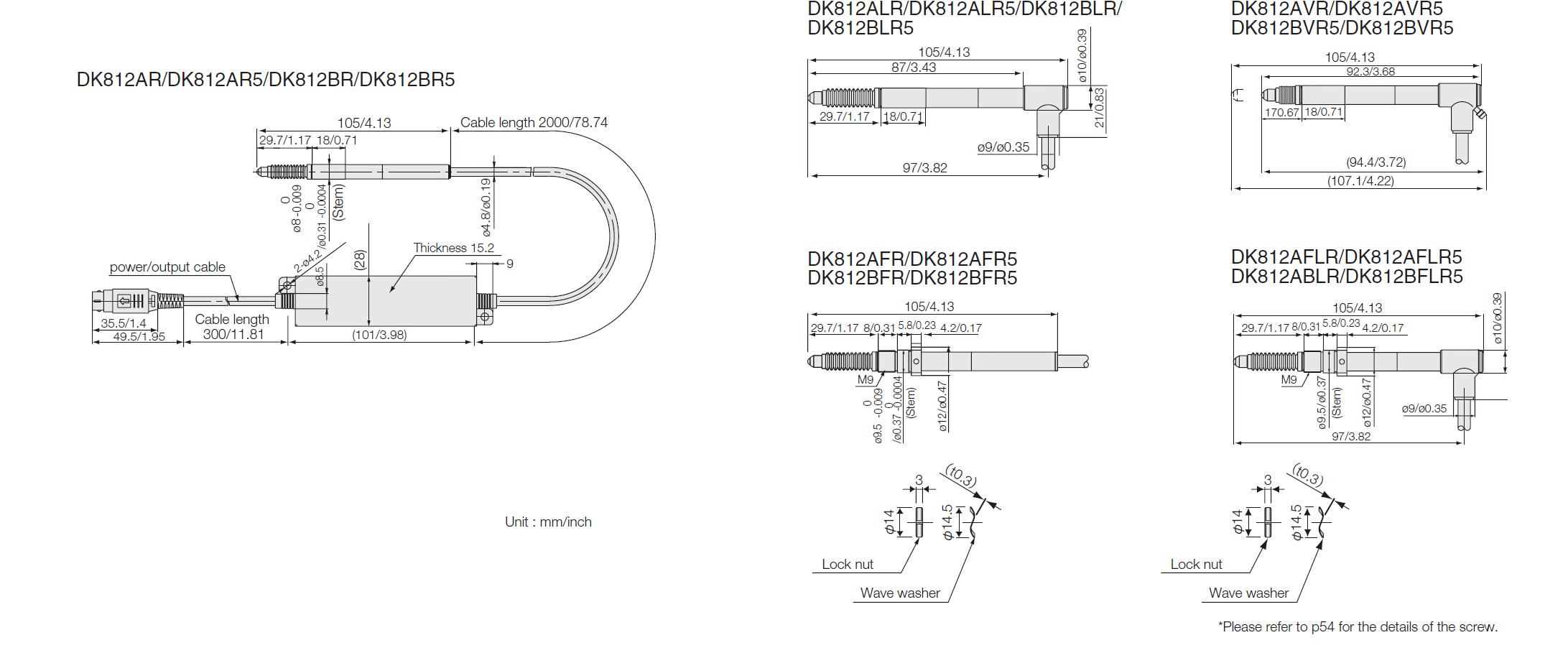
*1 不包括內插盒與接頭 *2 使用內附的軟管彎頭與?4mm管時 *3 不包括纜線與內插盒 *4 要視Magnescale Co.,Ltd. 所定義的監定測試而定。 產品尺寸: 其它系列:
|
|||||||||||||||||||||||||||||||||||||||||||||||||||||||||||||||||||||||||||||||||||||||||||||||||||||||||||||||||||||||||||||||||||||||||||



