產品中心product
產品中心
您現在所在位置:網站首頁>> 產品中心
Scale SR127-020/SR127-035/SR127-040磁柵尺
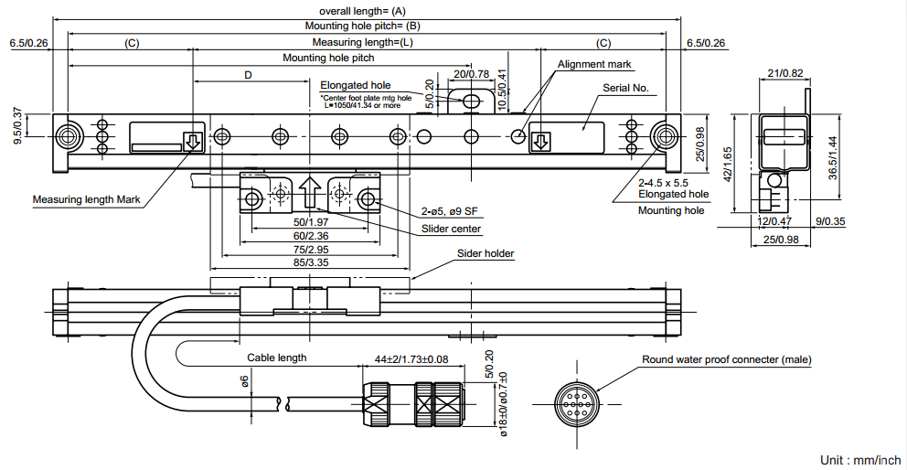
產品介紹SR127磁柵尺簡單介紹 使用于精密磨床或檢測設備之磁性尺Scale SR127-005, SR127-010,SR127-015,SR127-020,SR127-025,SR127-030, SR127-035,SR127-040,SR127-045,SR127-050,SR127-055, SR127-060,SR127-065,SR127-075,SR127-085,SR127-095, SR127-105,SR127-125 簡單介紹: 使用于精密磨床或檢測設備之磁性尺Scale SR127-05, SR127-10,SR127-15,SR127-20,SR127-25,SR127-30, SR127-35,SR127-40,SR127-45,SR127-50,SR127-55, SR127-60,SR127-65,SR127-75,SR127-85,SR127-95, SR127-105,SR127-125 產品特性: 耐油、耐灰塵、抗振動能力強,環境適應性佳。 小型精巧的設計,節省安裝的空間。 使用磁性技術,內建式原點。 適合應用于銑床、磨床及加工中心、閉環控制等。 上一個:SL110磁尺SL130光柵尺
|




